Il tuo fornitore B2B più affidabile sul mercato!

SKF  |  SKU: L.7018 ACDGA P4 SKF -- 7018 ACDGA/P4A

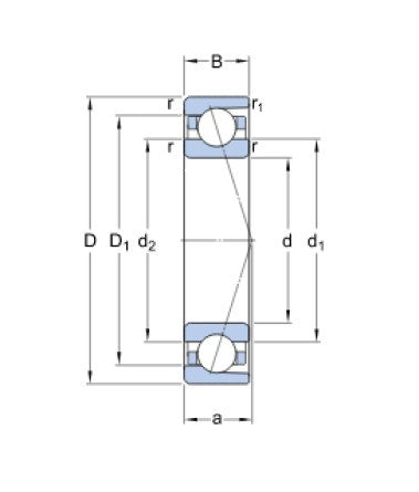
SKF 7018 ACDGA/P4A cuscinetto per mandrino


Varianta
€458,76
Imposte incluse Spedizione calcolata al momento del checkout.

Descrizione

SKF 7018 ACDGA/P4A - cuscinetto a sfere a una fila, non smontabile, di precisione con contatto angolare, angolo di contatto 25°, gabbia leggera in resina fenolica rinforzata con tessuto, accoppiabile universalmente con leggera precompressione. Il cuscinetto può trasmettere carichi assiali solo in una direzione, quindi è solitamente impostato contro un secondo cuscinetto. Il gioco interno dei cuscinetti a sfere a una fila con contatto angolare viene raggiunto solo dopo il montaggio e dipende dall'impostazione della posizione assiale rispetto al secondo cuscinetto, che garantisce la guida assiale nella direzione opposta. I cuscinetti per accoppiamento universale sono montati a coppie e sono progettati in modo che, durante il montaggio per carichi assiali in una direzione, cioè in tandem, o per carichi assiali in entrambe le direzioni, cioè schiena contro schiena in "O" o faccia contro faccia in "X", si ottenga un gioco interno o una precompressione predeterminati o una distribuzione uniforme del carico senza l'uso di spessori compensatori.

Parametry

Precision:

P4

Diametro D (mm):

90

Diametro D (mm):

140

Larghezza A (mm):

39

Larghezza B (mm):

24

Angolo (°):

25°

Marcatura:

7018 ACDGA/P4A

DOTAZ PRODEJCI

SKF

SKF 7018 ACDGA/P4A cuscinetto per mandrino

€458,76

Varianta

  • Výchozí varianta
Visualizza prodotto