Il tuo fornitore B2B più affidabile sul mercato!

SKF  |  SKU: L.7016 ACDGA P4 SKF -- 7016 ACDGA/P4A

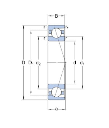
SKF 7016 ACDGA/P4A cuscinetto per mandrino


Varianta
€334,74
Imposte incluse Spedizione calcolata al momento del checkout.

Descrizione

SKF 7016 ACDGA/P4A - cuscinetto a sfere a contatto angolare, preciso, non smontabile, a una fila, con angolo di contatto di 25°, gabbia leggera in resina fenolica rinforzata con tessuto, accoppiabile universalmente con leggera precompressione. Il cuscinetto può trasmettere carichi assiali solo in una direzione, quindi è solitamente impostato contro un altro cuscinetto. Il gioco interno dei cuscinetti a sfere a contatto angolare è ottenuto solo dopo il montaggio e dipende dall'impostazione della posizione assiale rispetto al secondo cuscinetto, che assicura la guida assiale nella direzione opposta. I cuscinetti per accoppiamento universale sono montati a coppie e sono progettati in modo che, durante il montaggio per carichi assiali in una direzione, cioè in tandem, o per carichi assiali in entrambe le direzioni, cioè schiena contro schiena in "O" o faccia contro faccia in "X", si ottenga un determinato gioco interno o precompressione o una distribuzione uniforme del carico senza l'uso di spessori compensatori.

Parametry

Precision:

P4

Diametro D (mm):

80

Diametro D (mm):

125

Larghezza A (mm):

35

Larghezza B (mm):

22

Tipo:

cuscinetto per mandrino

Angolo (°):

25°

Marcatura:

7016 ACDGA/P4A

DOTAZ PRODEJCI

SKF

SKF 7016 ACDGA/P4A cuscinetto per mandrino

€334,74

Varianta

  • Výchozí varianta
Visualizza prodotto